迪泰尔仪表

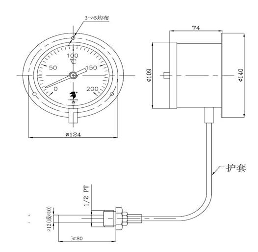
不锈钢压力式温度计

不锈钢压力式温度计

不锈钢压力式温度计 WTZX-280F 使用说明书

不锈钢压力式温度计

型号说明

W T Z 2 8 0 /
| | | |

X :电接点 F :防腐 温度 毛细管长度≤ 30

无:普通 无:普通

温度范围: -40~60 0~100 0~150 0~200 0~300 0~400 0~500 0~60 0

不锈钢压力式温度计

不锈钢压力式温度计

 

电接点温度计外接控制参考电路 (配套触点: YXC 380V 30VA ) )

 

不锈钢压力式温度计不锈钢压力式温度计 

 

 

二位式控制原理图 双上限二次控制原理图

 

不锈钢压力式温度计不锈钢压力式温度计 

 

区间温度控制原理图 三位置控制原理图

电源理图

不锈钢压力式温度计 


外接控制参考电路

( 1 ) A 、 B 端是外接电源。

( 2 )上限(或第二上限)是指温度计的指针(动触头)和上限(或第二上限)设定针组成的常开触点。

( 3 ) ZJ 1 、 ZJ 2 是线圈吸合功率小于 10VA ( I 型)的灵敏继电器(例如 JZX-2F 型 522 型)。

( 4 ) CJ 为交流接触器,触头电流用户按负载大小自选。

( 5 )当负载的功率大于灵敏继电器触头容量时,应再加一只继电器进行放大。

不锈钢压力式温度计

 

南京迪泰尔仪表机电设备有限公司 地址:大光路188号锦江丽舍 电话:025-84465922 / 84456840/84585946 QQ:825520616
税号:91320104762103508L 帐号:01570120030000012 开户行:南京银行龙蟠路支行
备案号:苏ICP备12032525号